Microscope Components for Reflected Light Applications
Nikon


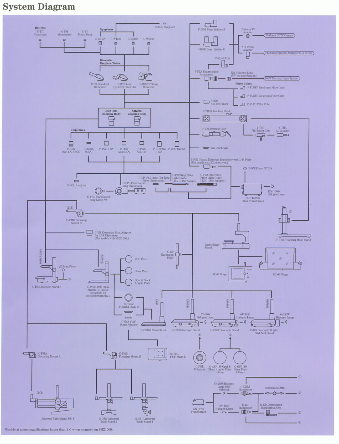
Systems Integration Diagram

Systems  Integration  Diagram

Illumination Systems

 

 Fiber Optic Illuminators
Fluorescent Ring Illuminators

 
Capra Optical, Inc.
Telephone: (508) 650-9700
Email: info@capraoptical.com